INV-B
Rackmounting Inverter with Bypass
INV-B
Rackmounting Inverter with Bypass
Built with integrated static bypass switches, the INV-B is ideal for ensuring loads are continually supplied in the event of mains failure.
| Min | Max | |
|---|---|---|
| Power: | 500VA | 4kVA |
| Input: | 24VDC The input range is much wider than the nominal value. | 540VDC The input range is much wider than the nominal value. |
| Output: | 115VAC Different nominals can be selected via the options table. | 230VAC |
| Control: | Standard: HMI | Optional: Ethernet, SNMP |
|---|---|
| Bypass: | Standard |
or call 01246 452909 to discuss this product
Product Information
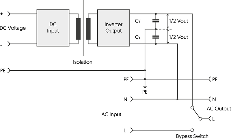
The INV-B range provides a true stabilised sine wave output. This series of inverters are built with integrated static bypass switches, ensuring continual supply of an AC load.
Connected systems are protected from loss of supply caused by power failures and disturbances. Should the primary power supply fail the INV-B will automatically switch over to the secondary source. This makes these inverters ideal for use as part of a UPS (Uninterrupted Power Supply) system.
- Primary/Secondary Supply Settable to AC or DC
- Rapid Switching Time of <10ms
- User Settable 50Hz/60Hz Output Frequency
- Optional LAN Interface for Remote Monitoring
- Ruggedised Versions Available on Request
Technical Specifications
Operating Ranges and Features
Operating Modes
Interfaces and Control
Safety and Protection
Isolation
Mechanical
Form Factor and Enclosures
Related Product Families
Selection Table
500VA Models
| Part Number |
Max Power | Input Voltage | Vin Range | Output Voltage | Output Frequency | |
|---|---|---|---|---|---|---|
| INV-B 500-24 | 500VA | 24VDC | 19 - 31VDC | 230VAC | 50Hz | Add |
| INV-B 500-48-60 | 500VA | 48/60VDC | 38 - 72VDC | 230VAC | 50Hz | Add |
| INV-B 500-110 | 500VA | 110VDC | 88 - 132VDC | 230VAC | 50Hz | Add |
| INV-B 500-220 | 500VA | 220VDC | 178 - 264VDC | 230VAC | 50Hz | Add |
1000VA Models
| Part Number |
Max Power | Input Voltage | Vin Range | Output Voltage | Output Frequency | |
|---|---|---|---|---|---|---|
| INV-B 1000-24 | 1000VA | 24VDC | 19 - 31VDC | 230VAC | 50Hz | Add |
| INV-B 1000-48-60 | 1000VA | 48/60VDC | 38 - 72VDC | 230VAC | 50Hz | Add |
| INV-B 1000-110 | 1000VA | 110VDC | 88 - 132VDC | 230VAC | 50Hz | Add |
| INV-B 1000-220 | 1000VA | 220VDC | 178 - 264VDC | 230VAC | 50Hz | Add |
2000VA Models
| Part Number |
Max Power | Input Voltage | Vin Range | Output Voltage | Output Frequency | |
|---|---|---|---|---|---|---|
| INV-B 2000-24 | 2000VA | 24VDC | 19 - 31VDC | 230VAC | 50Hz | Add |
| INV-B 2000-48-60 | 2000VA | 48/60VDC | 38 - 72VDC | 230VAC | 50Hz | Add |
| INV-B 2000-110 | 2000VA | 110VDC | 88 - 132VDC | 230VAC | 50Hz | Add |
| INV-B 2000-220 | 2000VA | 220VDC | 178 - 264VDC | 230VAC | 50Hz | Add |
4000VA Models
| Part Number |
Max Power | Input Voltage | Vin Range | Output Voltage | Output Frequency | |
|---|---|---|---|---|---|---|
| INV-B 4000-48-60 | 4000VA | 48/60VDC | 38 - 72VDC | 230VAC | 50Hz | Add |
| INV-B 4000-110 | 4000VA | 110VDC | 88 - 132VDC | 230VAC | 50Hz | Add |
| INV-B 4000-220 | 4000VA | 220VDC | 178 - 264VDC | 230VAC | 50Hz | Add |
| INV-B 4000-540 | 4000VA | 540VDC | 350 - 750VDC | 230VAC | 50Hz | Add |
Frequently asked questions
Can't find what you're looking for? Ask us a question
Please fill out the form below and we will get back to you as soon as possible with an answer to your question.


